Áit / Toradh / Mótair fearas micrea -acra / Mótair giaranna AC inchúlaithe / Mótair Fearas AC inchúlaithe 10W

Mótair giaranna AC inchúlaithe Soláthraithe

  • Mótair Fearas AC inchúlaithe 10W
Mótair giaranna AC inchúlaithe

Mótair Fearas AC inchúlaithe 10W

Méid an voltais: 10W, 60mmx60mm

Le coscán/úsáid reatha: 0.145-0.265A

Casmhóimint Rátáilte: 40-60mn.m

Tá an luas bunaithe ar luas neamhghnách an mhótair (50Hz: 1200r/min, 60Hz: 1450R/min) $ $ $

  • Mótair Fearas AC inchúlaithe 10W
IARRATAS LIMISTÉAR
Is fiontar ardteicneolaíochta muid atá tiomanta do tháirgeadh agus do dhíol mótair laghdaithe fearas AC, mótair laghdaithe beaga, laghdaitheoirí pláinéadacha servo-shonracha, mótair gan scuab agus gan scuab DC, agus táirgí eile.
  • Sórtáil Loighistice

  • Róbait uathoibrithe

  • gearradh léasair

  • Geata Rialaithe Rochtana

  • Stáisiún cumhachta fótavoltach

  • Feistí leighis

  • AGV

Cur Síos ar an Táirge

10W Tairgeann mótair giaranna AC inchúlaithe réitigh ilghnéitheacha agus éifeachtúla d'iarratais éagsúla a éilíonn rialú beacht agus iontaofacht. Tagann na mótair seo, le toisí fráma de 60mm x 60mm, feistithe le córas coscáin, ag cinntiú sábháilteachta agus rialú feabhsaithe. Tá na raonta reatha oibríochtúla idir 0.145A agus 0.265A, rud a fhágann go bhfuil siad tíosach ar fhuinneamh agus go gcuireann siad feidhmíocht láidir ar fáil.

Tá an chasmhóimint rátáilte idir 40mn.m agus 60mn.m, atá oiriúnach d'iarratais a bhfuil leibhéil chasmhóiminte measartha de dhíth orthu. Tá na mótair seo deartha chun oibriú ag luasanna neamhghnácha, ag tairiscint 1200 rpm ag 50Hz agus 1450 rpm ag 60Hz. Ligeann an athraitheacht seo i luas dóibh a bheith inoiriúnaithe do riachtanais agus minicíochtaí oibriúcháin éagsúla.

Cuireann cuimsiú coscáin lena bhfeidhmiú, rud a chuireann ar a gcumas cumais stoptha agus gabháltas beacht a chumasú, ríthábhachtach in iarratais ina bhfuil cruinneas stopadh riachtanach. Mar gheall ar an méid dlúth agus an dearadh éifeachtach seo tá na mótair seo oiriúnach le húsáid in innealra beag, i gcórais uathoibrithe, agus i dtrealamh eile ina bhfuil an spás ag préimhe agus ní féidir cur isteach ar fheidhmíocht.

10W Soláthraíonn mótair giaranna AC inchúlaithe le córais coscáin réiteach iontaofa, éifeachtach agus ildánach le haghaidh feidhmeanna éagsúla, ag seachadadh feidhmíocht chomhsheasmhach le luas rialaithe agus chasmhóimint. $ $ $

Spreagraí mótair ionduchtaithe

Samhail · Cineál
Cineál sreinge luaidhe
Cumhacht aschuir
Thiar
Voltas
V
Minicíocht
Hz
Meon
A
Chasmhóimint ag tosú
mn.m
Chasmhóimint rátáilte
mn.m
Luas rátáilte
R/Min
Toilleoir
μF
Seafta bioráin Seafta cruinn
2IK10GN-$ $ $A 2ik10a-a 10 1ph 100 50 0.240 55 48 1200 3.5
60 0.250 50 40 1450
2ik10gn-e 2ik10a-e 10 1ph 110 60 0.160 40 40 1450 2
1ph 120 0.180
2IK10GN-C 2ik10a-c 10 1ph 220 50 0.130 50 48 1200 0.8
1ph 230 0.140 40 1450
2IK10GN-H 2IK10A-H 1ph 220 60 0.130 55 40 1450
1ph 230 0.140
2IK10GN-S 2IK10A-S 10 3ph 220 50 0.076 85 48 1200 -
60 0.065 70 40 1450

Reuersibe Motor Specs

Samhail · Cineál
Cineál sreinge luaidhe
Cumhacht aschuir
Thiar
Voltas
V
Minicíocht
Hz
Meon
A
Chasmhóimint ag tosú
mn.m
Chasmhóimint rátáilte
mn.m
Luas rátáilte
R/Min
Toilleoir
μF
Seafta bioráin Seafta cruinn
2RK10GN-A (M) 2RK10A-A (M) 10 1ph 100 50 0.265 60 48 1200 4.0
60 0.232 55 40 1450
2RK10GN-E (M) 2RK10A-E (M) 10 1ph110 50 0.185 45 40 1450 2.5
1ph120 60 0.200
2RK10GN-C (M) 2RK10A-C (M) 10 1ph220 50 0.145 55 48 1200 1.0
1ph230 $ $ $ 60 0.150
2RK10GN-H (M) 2RK10A-H (M) 10 1ph220 JOR 0.145 40 60 1450 1.0
1ph230 60 0.150

Mótair inchúlaithe

Samhail · Cineál
Cineál sreinge luaidhe
Cumhacht aschuir
Thiar
Voltas
V
Minicíocht
Hz
Raon rialaithe luais
R/Min
Chasmhóimint liúntais Chasmhóimint ag tosú
mn.m
Meon
A
Toilleoir
μF
Seafta bioráin Seafta cruinn 1200r/min
mn.m
90r/min
mn.m
2IK10RGN-A 2ik10ra-A 10 1ph 100 50 90 ~ 1350 50 30 35 0.240 3.5
60 90 ~ 1650 50 29 35 0.250
2IK10RGN-E 2ik10ra-E 10 1ph 110 60 90 ~ 1650 50 29 30 0.160 2.0
1ph 120 0.180
2IK10RGN-C 2ik10ra-C 10 1ph 220 50 90 ~ 1350 55 29 35 0.130 0.8
1ph 230 $ $ $ 0.110
2IK10RGN-H 2IK10RA-H 10 1ph 220 60 90 ~ 1650 55 29 35 0.140 0.8
1ph 230 0.120

Giaranna tábla mótair chasmhóiminte

Is féidir giarhead agus bosca lár-gheamair a dhíol ar leithligh.

Cuir isteach an cóimheas giaranna sa bhosca (□) laistigh den ainm samhla.

Léiríonn an cúlra daite □ an treo rothlach céanna den mhótar agus tá treo rothlach daoine eile os coinne.

Aonad chasmhóiminte liúntais: Upside (N.M)/Uile -Taobh (KGF.CM)

Tíopáil
Mótar/giarhead
Cóimheas fearais 3 3.6 5 6 7.5 9 12.5 15 18 25 30 36 50 60 75 90 100 120 150 180 200
Luas r/min 50Hz 500 417 300 250 200 166 120 100 83 60 50 41 30 25 20 16 15 12.5 10 8.3 7.5
60Hz $ $ $ 600 500 360 300 240 200 144 120 100 72 60 50 36 30 24 20 18 15 12 10 9
2IK10GN-A
2ik10gn-e
2IK10GN-C
2IK10GN-H
2IK10GN-A
2gnok 50Hz 0.12 0.14 0.19 0.23 0.29 0.35 0.49 0.58 0.70 0.88 1.1 1.3 1.6 1.9 2.4 2.9 3 3 3 3 3
1.22 1.43 1.94 2.35 2.96 3.57 5.0 5.92 7.14 8.98 11.2 13.3 16.3 19.4 24.5 29.6 30 30 30 30 30
60Hz 0.10 0.12 0.16 0.19 0.24 0.29 0.41 0.49 0.58 0.73 0.88 1.1 1.3 1.6 2.0 2.4 2.6 3 3 3 3
1.02 1.22 1.63 1.94 2.45 2.96 4.18 5.0 5.92 7.45 8.98 11.2 13.3 16.3 20.4 24.5 26.5 30 30 30 30

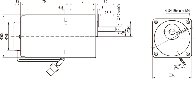
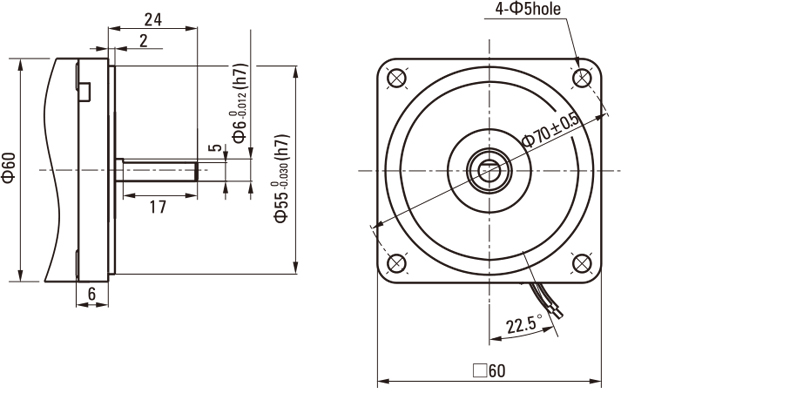
Toisí (Aonad MM)

Cuirtear scriúnna gléasta san áireamh leis an ngiarhead.

Cineál sreangaithe luaidhe (ionduchtú/mótar inchúlaithe)

Meáchan: Mótar: 0.75kg / Gearhhead: 0.4kg

Rannán seafta de chineál seafta cruinn

Seachas meáchan agus cruth mótair na rannóige seafta a áireamh tá cruth mótair an chineáil seafta pinion. $ $ $

Cineál sreangaithe luaidhe (mótair coscáin)

Meáchan: Mótar: 1.1kg / Gearhhead: 0.4kg

Giarhead deachúil

Is féidir é a nascadh leis an gcineál seafta GN Pinion. $ $ $

Cineál sreangaithe luaidhe (mótair rialaithe luais)

Meáchan: Mótar: 1.1kg / Gearhhead: 0.5kg

Samhail giarhead Cóimheas fearais L1
2gn □ k 3 ~ 18 32
25 ~ 200 41.5

Iontráil an cóimheas giaranna sa bhosca (□) laistigh den ainm samhail $ $ $

+ Tuig paraiméadair mhionsonraithe an táirge
Déan Teagmháil Linn
  • Upload

Maidir Linn
Zhejiang Saiya Intelligent Manufacturing Co., Ltd.
Zhejiang Saiya Intelligent Manufacturing Co., Ltd. Bunaithe i 2009, le 15 bliana de charnadh tionscail, is fiontar ardteicneolaíochta é atá speisialaithe i dtáirgeadh agus i ndíol mótair fearas micrea AC, mótair fearas AC beaga, mótair fearas scuab DC, mótair fearas DC gan scuab BLDC, giarbhosca pláinéadach Beacht, agus sorcóir mótair... srl. Táimid Mórdhíol na Síne Mótair Fearas AC inchúlaithe 10W Soláthraithe agus OEM/ODM Mótair Fearas AC inchúlaithe 10W Monaróirí, Úsáidtear mótair agus giarbhoscaí Saiya go forleathan i róbait thionsclaíocha, i lóistíocht chliste, i meaisíní nua fuinnimh, i róbait AGV agus i réimsí ardteicneolaíochta eile. Ina theannta sin, tá róil ríthábhachtacha acu i bpróiseáil bia, i bpacáistiú, i dteicstílí, i leictreonaic, i dtrealamh leighis, agus in innealra speisialaithe, ag tairiscint réitigh chost-éifeachtacha agus difreáilte do thionscail éagsúla. Chun ár mbuntáistí i ndifreáil agus in éifeachtúlacht costais a fheabhsú, tá ár gcuideachta trádála féin againn, Hangzhou Saiya Transmission Equipment Co., LTD atá lonnaithe i Hangzhou, Zhejiang, atá gar do chalafoirt Shanghai agus Ningbo, chun déileáil leis an ngnó baile agus thar lear, in éineacht le díol díreach agus dáileadh araon, cinntíonn sé dáileadh domhanda agus tacaíocht do chustaiméirí, ag soláthar réiteach eacnamaíoch agus iontaofa ardleibhéil do gach duine dár gcustaiméirí.

Cultúr Corparáideach

Barántúil Iontaofa
Seasann Cáilíocht Amach go Nádúrtha.

Croíluachanna: Duine féin a fhorbairt agus aire a thabhairt do dhaoine eile.

Fís:Bí i do shaineolaí seirbhíse i réimse an tarchuir chliste.

Ár misean:Seirbhísí ardchaighdeáin a sholáthar agus luach a chruthú do chustaiméirí.

Fealsúnacht seirbhíse:Ag saothrú sonas ábhartha agus spioradálta araon do gach fostaí agus ag cur le dul chun cinn agus forbairt na sochaí daonna.

  • 2009

    Bunú
  • 80+

    Foireann
  • 5+

    Líne Táirgthe
Scéal