Áit / Toradh / Mótar fearas beag AC / Sraith 3000W

Mótar fearas beag AC Soláthraithe

  • Sraith 3000W
  • Sraith 3000W
  • Sraith 3000W
  • Sraith 3000W
Mótar fearas beag AC

Sraith 3000W

Cumhacht Mótair: Suiteáil cothrománach nó ingearach 3000W

Céim: céim aonair / céim trí chéim

Cóimheas Gear: 3-1800K

Roghnú Mótair: Mótar 3 chéim 220V-240V/380V-415V, 50Hz/60Hz; 1 mótair chéim, 220V, 50Hz/60Hz; Mótar 1 chéim, 110V, 50Hz / 60Hz

Trastomhas seafta aschuir: φ32mm φ40mm φ50mm $ $ $

  • Sraith 3000W
  • Sraith 3000W
  • Sraith 3000W
  • Sraith 3000W
IARRATAS LIMISTÉAR
Is fiontar ardteicneolaíochta muid atá tiomanta do tháirgeadh agus do dhíol mótair laghdaithe fearas AC, mótair laghdaithe beaga, laghdaitheoirí pláinéadacha servo-shonracha, mótair gan scuab agus gan scuab DC, agus táirgí eile.
  • Sórtáil Loighistice

  • Róbait uathoibrithe

  • gearradh léasair

  • Geata Rialaithe Rochtana

  • Stáisiún cumhachta fótavoltach

  • Feistí leighis

  • AGV

Cur Síos ar an Táirge

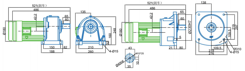
CH32/CV32-3000W- (Bosca laghdaithe 1: 30 ~ 60 cóimheas) Léaráid méide

CH40/CV40-3000W Léaráid Toise Uimhir Sonrach Ard $ $ $

CH40/CV40-3000W - (Cóimheas an bhosca caighdeánach 1: 3 ~ 60) (Cóimheas Bosca Laghdaithe 1: 70 ~ 200) Líníocht Thoiseach

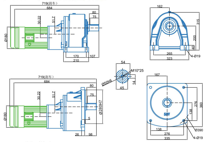
CH50/CV50-3000W (1: 210 nó cóimheas níos airde) Léaráid méide $ $ $

CH50/CV50-3000W - (Caighdeán Bosca 1: 70 ~ 200 Cóimheas) Líníocht Thoiseach $ $ $

Paraiméadar innealra leictreach

Paraiméadar innealra leictreach

Cumhacht (KW)

Tíopáil

Voltas (V)

Minicíocht (Hz)

Reatha Rátáilte (A)

Luas uainíochta rátáilte (RMP)

Toilleoirí (μF)

Aicmiú inslithe

Córas cosanta

3kw

Trí chéim

220V/380V

50Hz

14.2a/8.3a

1420rmp

/

F

IP54 $ $ $

Tábla chasmhóiminte 3000W- (cóimheas digiteach 1: 3-120)

Cóimheas Gera

3

5

10

15

20

25

30

40

50

60

70

80

90

100

120

140

160

180

200

300

1200

1800

Aschur R.P.M.

50Hz

500

300

150

100

75

60

50

37

30

25

21.4

18.8

16.7

15

12.5

10.7

9.4

8.4

7.5

5

1.25

0.83

60Hz

600

360

180

120

90

72

60

45

36

30

25.7

22.5

20

18

15

12.9

11.3

10

9

6

1.5

1

Chasmhóimint aschuir kg/m

50Hz

4.9

8.9

17.9

26.8

35.2

43.8

52.5

69.2

85.9

102.5

124.3

142

159.8

177.5

213

60Hz

4.4

7.8

15.6

23.3

29.2

38.8

46.2

60.9

75.7

90

101.9

116.5

131

145.5

174.7

Ríomhtar an luas sa tábla bunaithe ar luas rátáilte an mhótair ag 50Hz/60Hz, 1420r.min/1732r.min

Athróidh an luas iarbhír beagán le méid an ualaigh, le raon athraithe de thart ar ± 5%. $ $ $

+ Tuig paraiméadair mhionsonraithe an táirge
Déan Teagmháil Linn
  • Upload

Maidir Linn
Zhejiang Saiya Intelligent Manufacturing Co., Ltd.
Zhejiang Saiya Intelligent Manufacturing Co., Ltd. Bunaithe i 2009, le 15 bliana de charnadh tionscail, is fiontar ardteicneolaíochta é atá speisialaithe i dtáirgeadh agus i ndíol mótair fearas micrea AC, mótair fearas AC beaga, mótair fearas scuab DC, mótair fearas DC gan scuab BLDC, giarbhosca pláinéadach Beacht, agus sorcóir mótair... srl. Táimid Mórdhíol na Síne Sraith 3000W Soláthraithe agus OEM/ODM Sraith 3000W Monaróirí, Úsáidtear mótair agus giarbhoscaí Saiya go forleathan i róbait thionsclaíocha, i lóistíocht chliste, i meaisíní nua fuinnimh, i róbait AGV agus i réimsí ardteicneolaíochta eile. Ina theannta sin, tá róil ríthábhachtacha acu i bpróiseáil bia, i bpacáistiú, i dteicstílí, i leictreonaic, i dtrealamh leighis, agus in innealra speisialaithe, ag tairiscint réitigh chost-éifeachtacha agus difreáilte do thionscail éagsúla. Chun ár mbuntáistí i ndifreáil agus in éifeachtúlacht costais a fheabhsú, tá ár gcuideachta trádála féin againn, Hangzhou Saiya Transmission Equipment Co., LTD atá lonnaithe i Hangzhou, Zhejiang, atá gar do chalafoirt Shanghai agus Ningbo, chun déileáil leis an ngnó baile agus thar lear, in éineacht le díol díreach agus dáileadh araon, cinntíonn sé dáileadh domhanda agus tacaíocht do chustaiméirí, ag soláthar réiteach eacnamaíoch agus iontaofa ardleibhéil do gach duine dár gcustaiméirí.

Cultúr Corparáideach

Barántúil Iontaofa
Seasann Cáilíocht Amach go Nádúrtha.

Croíluachanna: Duine féin a fhorbairt agus aire a thabhairt do dhaoine eile.

Fís:Bí i do shaineolaí seirbhíse i réimse an tarchuir chliste.

Ár misean:Seirbhísí ardchaighdeáin a sholáthar agus luach a chruthú do chustaiméirí.

Fealsúnacht seirbhíse:Ag saothrú sonas ábhartha agus spioradálta araon do gach fostaí agus ag cur le dul chun cinn agus forbairt na sochaí daonna.

  • 2009

    Bunú
  • 80+

    Foireann
  • 5+

    Líne Táirgthe
Scéal